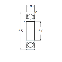
Yastıq (Podşipnik) D28
Daxili diametr:: 55.563 mm
Xarici diametr: 91.288 mm
Eninin ölçüsü: 20.650 mm
Çəkisi:: 495 kg
Xarici diametr: 91.288 mm
Eninin ölçüsü: 20.650 mm
Çəkisi:: 495 kg
Texniki göstəricilər
Təyinatı: D28
İstehsalçı: INA
İstehsalçının kataloqundan texniki məlumatlar :
Daxili diametr: 55.563 mm
Xarici diametr: 91.288 mm
Eni (B): 20.650 mm
Çəki: 495 kq
Резьба (G): 11100 mm
Yastıq 32211
İstehsalçı: ETERNO
Ölçülər: 55x100x25 (mm)
Çəkisi:: 0.83 (kg)
SALNİK (KİPGƏC MANJET) QEYRİ-STANDART (TC)
İstehsalçı: STO
Ölçülər: 55x87x10 (mm)
ПОДШИПНИК ШАРИКОВЫЙ РАДИАЛЬНЫЙ 61807
İstehsalçı: FAG
Ölçülər: 35x47x7 (mm)
KİPGƏC MANJET (SALNIK) (TC)
İstehsalçı: NQK SF
Ölçülər: 400x440x20 (mm)
K752 PTFE/NBR(40x29x4,2)
İstehsalçı: KASTAS
Ölçülər: 40x29x4,2 (mm)
Yastıq NJ313E (42313E)
İstehsalçı: TMB
Ölçülər: 65x140x33 (mm)
Çəkisi:: 2.3 (kg)
KİPGƏC MANJET (SALNIK) (TC)
İstehsalçı: NQK SF
Ölçülər: 210x250x15 (mm)
K53 NBR(32x40x6,2/7,8)
İstehsalçı: KASTAS
Ölçülər: 32x40x6,2/7,8 (mm)
Yastıq (Podşipnik) HK5528
İstehsalçı: INA-FAG
Ölçülər: 55x63x28 (mm)
Çəkisi:: 0.105 (kg)
KİPGƏC MANJET (SALNIK) (TC)
İstehsalçı: NQK SF
Ölçülər: 205x240x12 (mm)
YASTIQLARIN YIĞILMASI
Bütün erkən yastıq qəzalarının təxminən 16%-i səhv montaj ilə (ümumiyyətlə həddindən artıq qüvvət) və doğru alətlərin olmamasından qaynaqlanır.
YASTIQLARIN SÖKÜLMƏSİ
Yastığın sökülməsi (çıxarılması) ehtiyacı bəzi səbəblərə görə yarana bilər: podşipnikin uğursuz olması, mexanizmin digər hissələrinin sökülməsi və s.
SÜRTKÜ YAĞLARININ SEÇİMİ
Yastıqları yağlamaq üçün yağdan istifadə, hətta ekstremal şəraitdə belə hamar işləmə etibarlılığı və yastıqların maksimum etibarlılığını təmin edir.